■YUKEN油研方向控制閥類型:
可換向油液流向,可切換執行元件的起動、停止和運行方向。
油研電磁換向閥
油研G系列變量無沖擊型電磁/電液換向閥
油研液控/手動/機動換向閥
油研座閥式換向閥
油研單向閥/液控單向閥
液壓油液
■液壓類型
下表所列的液壓油均可使用。使用任何一種油液,參數不變。

注∶
●G系列電磁換向閥和電液換向閥,不能使用合成液壓液。
●對兩種手動換向閥,DMT-06/06X和DMT-10/10X,不能使用含水液壓液和磷酸酯液壓液。
●對兩種型號的座閥式二通電磁閥∶CDST-03※/CDSG-03,不能使用水一乙二醇液。
●如選用上表以外的油液,請和我們聯系。
■粘度和油溫
需要滿足下列液壓油粘度和油溫的條件下使用。

■防止雜物混入
油液中的異物經常會影響閥的正常工作。請保持油液清潔(污染度∶參見上表),請采用小于25μm(DSG-005系列和DSG-007 系列為20μm)的管路濾油器。
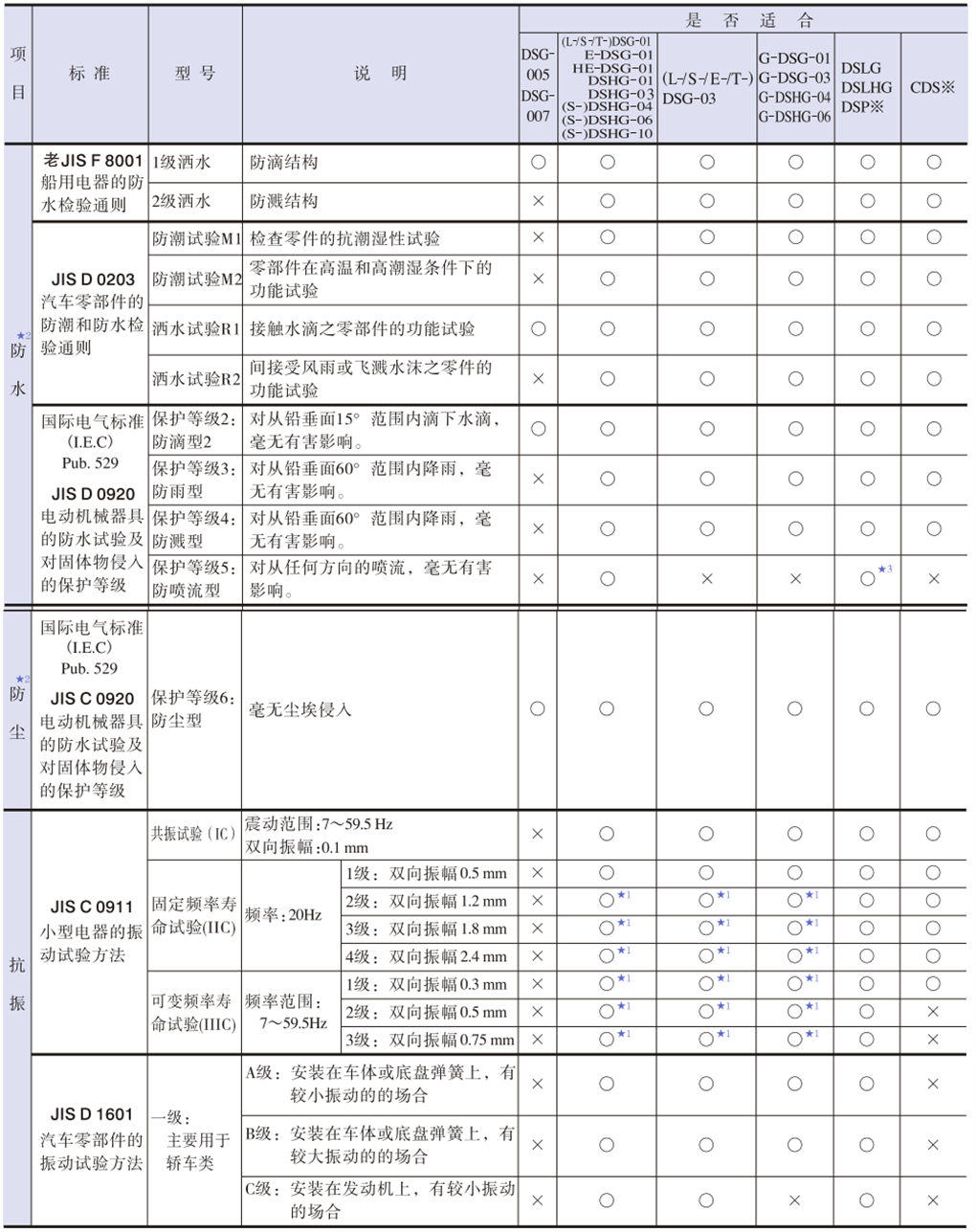
■防水,防塵和抗震

★1.無彈簧定位型(2D※)和無彈簧型(2N※)適于在連續通電定位的情況下進行。
★2.直接接觸水或在有雨的室外使用時,要用蓋保護好。
此外,在接線盒型的纜線接口上,要使用符合規格的纜線管套和襯套。
★3.DSP※-01適合