鋁制齒輪泵和馬達 HPZ..2簡介:

HPZ系列第2組
外置齒輪泵在高壓 下,產生的噪音和振動水平對于某些應用來說太高。泵引起的噪聲可分為兩種類型,即由泵本身產生的“機械噪聲"和由流體脈沖引起的“液壓噪聲",這些通常為噪聲的主要來源。下例是由“液壓噪聲"引起的瞬時流量脈動,即流體體積從低壓到高壓的循環變化和外
移。這些變化的周期性會引|起脈動,成為外界有效感知的噪聲源。
基于Bondioli & Pavesi在齒輪制造方面的技術和經驗, 這兩個HPZ和HPX螺旋齒輪泵系列專為所有需要降低噪音,或由法律規定噪音限制的移動和固定、農業和工業應用而設計。
HPZ是鋁質靜音泵第2組系列,適用于需要顯著降低聲壓級(dB(A)的移動和農業應用。
HPX是鑄鐵靜音泵第2組系列,適用于重型應用。
HPZ和HPX系列齒輪泵保持了傳統HPL和HPG系列的性能、效率和可靠性,并添加降低噪音的額外優勢:與相應的標準鋁質HPL系列相比, HPZ系列降低了2至10dB(A)的聲壓級,而HPX系列再進一步改善 了
標準鑄鐵HPG系列已經獲得卓越結果。
HPZ和HPX系列的設計符合Bondioli & Pavesi的構造理念,確保組件互換多級泵的多功能組合和豐富的閥]選擇。
多級泵系列為高度模塊化設計,可進行靜音或標準鋁質和鑄鐵泵的組合。
靜音鋁質HPZ和鑄鐵HPX泵使用鋁質HPL和鑄鐵HPG標準泵系列中所使用的底座、軸端、端蓋組合閥和附件。
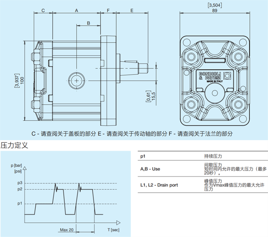
HPZ..2齒輪泵尺寸:

HPZ..2齒輪泵技術數據:
